產品介紹
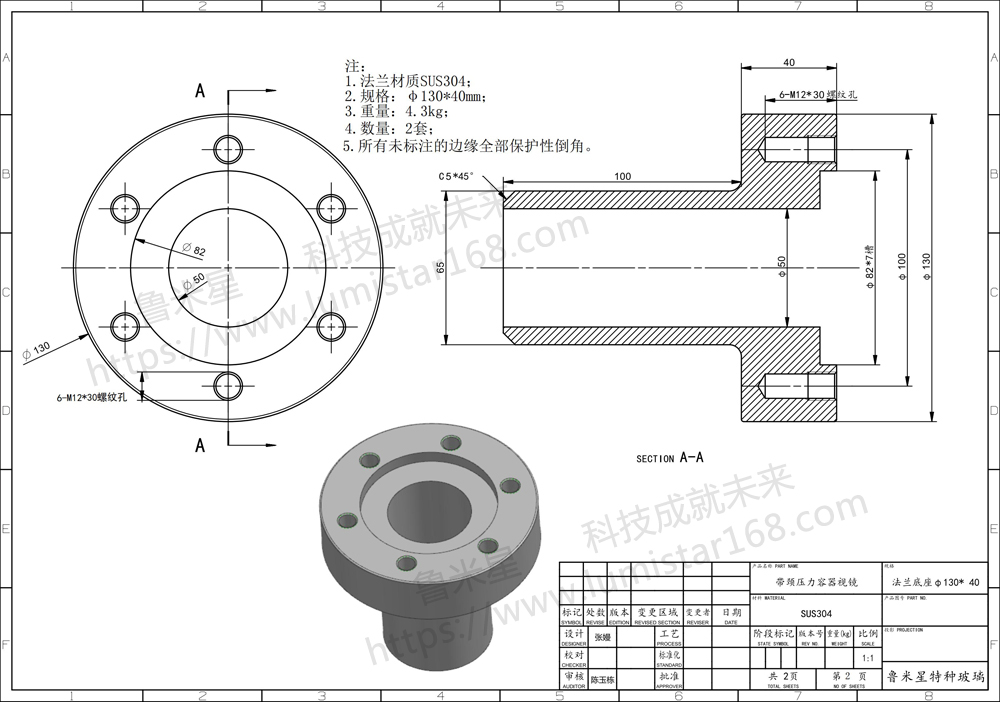
產品名稱:帶頸高壓容器視鏡DN50-PN4.0 超高壓視鏡
執行標準:HG/T21619-1986
視鏡型號:DN50-PN4.0
法蘭材質:SUS304
玻璃:高壓鋁硅玻璃80*20mm;耐壓10Mpa;耐溫375℃。
墊片材質:非石棉墊片φ82*φ52*2mm
隨貨配合格證,質保書,檢測報告。



魯米星玻璃科技(天津)有限公司向您推薦
帶頸高壓容器視鏡DN50-PN4.0執行標準:HG/T21619-1986視鏡型號:DN50-PN4.0法蘭材質:SUS304玻璃:高壓鋁硅玻璃80*20mm;耐壓10Mpa;耐溫375℃。墊片材質:非石棉墊片φ82*φ52*2mm隨貨配合格證,質保書,檢測報告。
上一條:
帶頸高壓容器視鏡DN125-6.4Mpa
下一條:
帶頸高壓視鏡、高壓容器視鏡、